多年专注制冷设备研发生产销售领域
| 型号:TXWD-4232 |
|---|
| Sise:Φ42x32mm 轴承:含油/滚珠 寿命:(环境温度25℃,湿度65%)含油20000 小时 滚珠50000小时 工作温度:-10℃~70℃(正常湿度) 储存温度:-40℃~80℃(常温) |
| DCAXIAL FLOW FAN |
|---|
| Bearing: oil/ball bearing Life: (ambient temperature 25℃, humidity 65%)Oil-bearing for 20000 hours Ball 50000 hours Workingtemperature:-10℃~70℃(nommal humidity) Storage temperature:-40℃~80℃(normal temperature) |
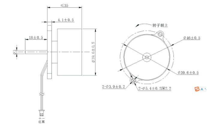
| 尺寸图 |
|---|

| Specification (规格) |
|---|

| 风机品类联系人 |
|---|
多年专注制冷设备研发生产销售领域
experience
Quality
application
service
多年专注制冷设备研发生产销售领域
多年专注制冷设备研发生产销售领域
多年专注制冷设备研发生产销售领域
多年专注制冷设备研发生产销售领域